產品介紹
咨詢服務熱線:13957717877
產品概述
資料下載
相關產品


為何選擇GRW8系列溫度控制繼電器? |
在工業自動化、設備制造及環境控制領域,精確、可靠且易于集成的溫度管理解決 方案至關重要。GRW8系列溫度控制繼電器正是為此需求而設計,它集成了的傳感 技術、靈活的配置選項和緊湊的結構,為用戶提供一種高效、穩定的溫度控制手段。選 擇GRW8,意味著為您的溫控應用選擇了一個性能可靠、安裝便捷且適應性強的核心組 件。 |
GRW8系列溫度控制繼電器產品優勢: |
1、精準控制: - 采用高靈敏度NTC溫度傳感器,溫度檢測準確。 |
2、運行可靠: - 具備傳感器短路與開路監測功能,有效預防因傳感器故障導致的系統失控,提升系 統安全性。 |
3、應用靈活: - 支持加熱或冷卻工作模式自由選擇,滿足多樣化的溫控需求。 |
4、廣泛兼容: - 寬范圍工作電源(AC/DC 24V ~ 240V),輕松適配多種供電環境。 |
5、狀態直觀: - 清晰LED指示燈實時顯示工作狀態,便于監控與故障排查。 |
6、節省空間: - 高度緊湊的設計(僅18mm寬度),采用標準35mm卡軌安裝方式,節省控制 柜內空間,簡化布線。 |
7、易于集成: - 標準繼電器輸出,方便與各類執行器(如接觸器、固態繼電器)連接。 |
GRW8系列溫度控制繼電器產品特點: |
1、高精度NTC傳感與安全保障: - 核心采用性能穩定的NTC(負溫度系數)熱敏電阻傳感器,對溫度變化響應靈敏。 產品內置的傳感器故障診斷電路,可實時監測傳感器短路(Short)與開路 (Open)狀態,一旦檢測到異常,能夠及時采取保護措施(如切斷輸出或發出故障信 號),有效防止因傳感器失效引發的溫度失控風險,提升系統運行的安全性和可靠 性。 |
2、雙模式運行,靈活應對需求: - 提供“加熱(Heating)”與“冷卻(Cooling)”兩種工作模式選項。用戶可根 據實際應用場景(如需要升溫的加熱設備或需要降溫的散熱系統)靈活選擇,實現精準 的溫度控制邏輯。 |
3、寬范圍電源適應性: - 支持寬廣的工作電源電壓范圍(交流或直流24V至240V),這使得GRW8能夠輕 松適應全球不同地區的電網標準以及各種工業現場常見的直流或交流供電環境,大大簡 化了電源匹配工作。 |
4、清晰直觀的運行指示: - 面板配備高亮LED指示燈,能夠清晰指示繼電器當前的工作狀態(如電源、輸出 通斷、運行模式、報警狀態等),便于操作人員快速了解設備運行情況,及時發現潛 在問題。 |
5、高度緊湊,安裝便捷: - 采用超薄設計,寬度僅為18mm,具有的空間優勢。支持標準的35mm DIN 卡軌安裝方式,安裝拆卸快速簡便,特別適合在空間有限的控制柜、配電箱內密集排 布,優化空間利用率。 |
GRW8系列溫度控制繼電器產品應用: |
GRW8系列溫度控制繼電器憑借其穩定可靠的性能和靈活小巧的特點,廣泛應用于 需要對溫度進行自動監控和調節的各類工業和民用場景: |
1、工業加熱設備控制: - 廣泛應用于烘箱、熱風爐、注塑機料筒、包裝機械封口裝置、小型工業電爐等設 備的加熱元件溫度控制,加熱過程穩定在設定溫度范圍內。 |
2、設備與儀器溫控保護: - 為電機繞組、變壓器、變頻器、伺服驅動器、電源模塊、電子控制柜等關鍵設備 提供過熱保護。當設備內部溫度超過安全閾值時,自動切斷電源或啟動冷卻風扇,有 效防止設備因過熱損壞,有助于延長使用壽命。 |
3、機房與機柜環境控制: - 是通信基站、服務器機房、網絡機柜、電氣控制柜等封閉空間環境溫度管理的理 想選擇之一。可控制風扇、空調或加熱器等設備,維持機柜/機房內適宜的工作溫度, 保障內部電子設備的穩定運行。 |
4、小型環境調節系統: - 適用于恒溫箱、孵化器、小型溫室、通風系統、除濕機等需要對環境溫度進行自 動調節的場合。 |
5、過程溫度監控: - 在需要簡單溫度監控與聯鎖的工藝流程中發揮作用,例如液體儲罐的溫度維持、 管道伴熱控制等。 |

GRW8系列溫度控制繼電器型號說明: |
|
GRW8系列溫度控制繼電器技術參數: |
型號 | GRW8-01 | GRW8-02 |
功能 | 監控高/低溫 | 監控溫度范圍 |
電源端子 | A1-A2 | |
額定電源電壓 | AC/DC 24V-240V | |
額定電源頻率 | 50/60Hz | |
額定沖擊耐受電壓 | 2.5kV | |
額定絕緣電壓 | 250V | |
消耗功率 | 2VA | |
電源允許波動范圍 | -15%;+10% | |
溫度調節范圍 | -15℃ to +45℃ | |
溫度調節滯后值 | 0.5℃ to 5℃ | |
工作模式 | 加熱-冷卻-開-關可設定 | |
電源指示燈 | 綠色LED | |
| 輸出觸點參數 | 1×SPST | |
| ||
250VAC/24VDC | ||
小切換功率 | 500mW | |
輸出繼電器指示 | 紅色 LED | |
機械壽命 | 1×10? | |
電壽命(阻性負載) | 1×10? | |
工作環境溫度 | -20℃~+55℃ | |
存儲和運輸環境溫度 | -35℃~+75℃ | |
安裝方式 | 35mm 卡軌安裝 | |
防護等級 | IP20 | |
安裝位置 | 任意 | |
安裝海拔高度 | ≤2000米 | |
污染等級 | 2 | |
接線能力 | 1×2.5mm2或2×1.5mm2 0.8N·m | |
外形尺寸 | 90×18×64mm | |
重量 | 64g | |

GRW8系列溫度控制繼電器產品面板: |
GRW8-01 |
|
GRW8-02 |
|
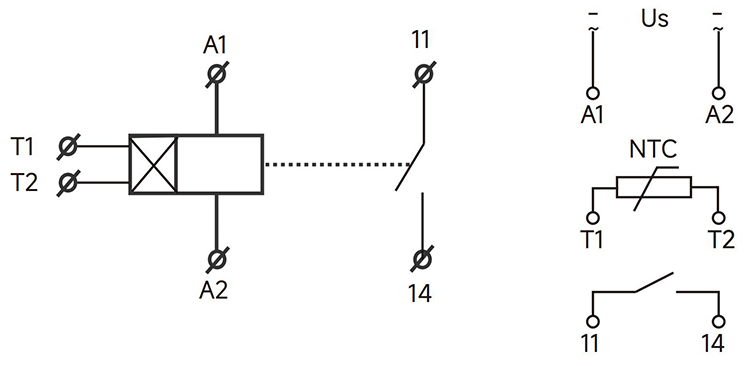
GRW8系列溫度控制繼電器產品接線: |
|
GRW8系列溫度控制繼電器產品尺寸(單位:mm): |
|
NTC傳感器 |
|

GRW8系列溫度控制繼電器產品功能圖: |
GRW8-01 |
|
GRW8-02 |
|
GRW8系列溫度控制繼電器產品應用實例: |
GRW8-01 COOL 冷卻模式 |
|
GRW8-01 HEAT 加熱模式 |
|
GRW8-02 |
|
上一個:GA-1P型導軌式數顯表
優惠券
我們的微信
13957717877
13957796089