產品介紹
咨詢服務熱線:13957717877
產品概述
資料下載
相關產品


GRV8-03D至08D系列三相電壓監控繼電器產品優勢: |
1、可靠性高: - 真有效值測量結合強抗干擾設計,在復雜電網環境下監控準確、動作可靠。 |
2、適應性強: - 寬電壓范圍可選及3L/4L兼容設計,使其能適應全球不同地區的電網標準和多樣化
的現場接線需求。 |
3、安全性強: - 有效預防因電壓異常(過壓、欠壓、缺相、錯相)導致的設備損壞和安全事故。 |
4、易于使用與維護: - LED狀態指示清晰直觀,安裝簡便(DIN導軌),設定調整方便。 |
5、空間效率高: - 18mm寬度設計,節省控制面板空間,優化柜內布局。 |
GRV8-03D至08D系列三相電壓監控繼電器產品特點: |
1、高精度真有效值測量: - 采用真有效值(True RMS)電壓測量技術,能夠準確反映包含諧波在內的實際電 壓狀況,為保護和控制決策提供可靠依據。 |
2、廣泛的電壓適應性: - 提供8種可選額定電壓設定,覆蓋全球主流工業電壓標準(如110V, 120V, 220V, 230V, 240V, 380V, 400V, 415V等),方便用戶根據現場電網情況靈活配置,具備良好 的全球適用性。 |
3、靈活的接線方式: - 支持三相三線制(3L)和三相四線制(4L)兩種接線規格,滿足不同供電系統的 監控需求。 |
4、優異的測量精度: - 電壓測量精度高(≤1%),監控結果的準確性,為精細保護提供保障。 |
5、強抗干擾能力: - 內置抗諧波設計,對電網中存在的諧波干擾具有較強抑制能力,特別優化適用于 變頻器周邊、大型電機啟停等存在高次諧波或電磁干擾的工業環境,運行穩定可靠。 |
6、直觀的工作狀態指示: - 配備清晰的LED指示燈,實時顯示電源狀態、繼電器輸出狀態及故障類型(如過 壓、欠壓、缺相等),便于現場快速診斷和狀態確認。 |
7、緊湊節省空間: - 采用超薄設計,寬度僅為18mm,支持標準的35mm DIN卡軌安裝,大大地節 省了控制柜內的安裝空間,尤其適合空間受限的應用場合。 |
GRV8-03D至08D系列三相電壓監控繼電器產品應用: |
1、移動設備與特種車輛電源監控: - 廣泛應用于需要可靠電源保障的移動設備、現場作業機械、農業機械設備(如聯 合收割機、拖拉機電氣系統)以及冷藏運輸車等,實時監控車載發電機或外接電源的 三相電壓狀態,設備在復雜移動環境中的供電安全與穩定運行。 |
2、設備逆向運行防護: - 有效監控三相電源的相序,及時檢測并防止因電源相序錯誤導致的電機反向旋轉, 避免由此引發的機械損傷、生產事故或安全事故,為泵、風機、壓縮機、傳送帶等旋轉 設備提供關鍵保護。 |
3、正常電源與應急電源(ATS)自動切換控制: - 在雙電源供電系統(如市電與發電機)中,作為核心監測單元,檢測主電源(正 常電源)的故障(如斷電、嚴重欠壓/過壓、缺相),并發出切換指令,驅動自動轉換 開關(ATS)將負載安全、快速地切換到備用電源(應急電源),保障關鍵負荷的持續 供電。 |
4、動力負載斷相保護: - 持續監測三相電源的完整性,一旦發生單相或多相斷電(斷相),繼電器能迅速 動作,切斷受控設備電源或發出報警,防止三相電機在斷相情況下運行而導致的過熱燒 毀,保護電機及其他重要動力負載。 |

GRV8-03D至08D系列三相電壓監控繼電器型號說明: |
|
GRV8-03D至08D系列三相電壓監控繼電器技術參數: |
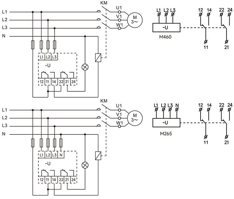
M460 | M265 | |
功能 | 監控L-L電壓(3相3線制) | 監控L-N 電壓(3相4線制) |
監控端子 | L1-L2-L3 | L1-L2-L3-N |
電源 | L1-L2 | L1-N |
額定工作電壓選擇 | 220-230-240-380-400 -415-440-460(P-P) | 127-132-138-220-230 -240-254-265(P-N) |
額定沖擊耐受電壓 | 2.5kV | |
額定絕緣電壓 | 500V | |
測量頻率范圍 | 45Hz-65Hz | |
測量范圍 | 176V-552V | 101V-318V |
電壓門限值范圍 | 額定電壓的2%-20% | |
不平衡值門限范圍 | 5%-15% | |
電壓固定滯后率 | 2% | |
斷相電壓值 | 額定電壓值的70% | 額定電壓值的70% |
動作延時時間 | 0.1s-10s 可調 | |
電壓測量誤差 | ≤1% | |
上電延時時間 | 0.5s | |
旋鈕設定精度 | 10% | |
復位時間 | 1s | |
溫度波動誤差 | 0.05%/℃,at=20℃ | |
輸出 | 2×SPDT | |
小切換功率 | 500mW | |
輸出繼電器指示 | 紅色 LED | |
機械壽命 | 1×107 | |
電壽命(阻性負載) | 1×105 | |
工作環境溫度 | -20℃~+55℃ | |
存儲和運輸環境溫度 | -35℃~+75℃ | |
安裝方式 | 35mm卡軌安裝 | |
防護等級 | IP20 | |
安裝位置 | 任意 | |
安裝海拔高度 | ≤2000米 | |
污染等級 | 2 | |
接線能力 | 1×2.5mm2或2×1.5mm20.4N ·m | |
外形尺寸 | 90mm×18mm×64mm | |
重量 | 68g-71g | |
符合標準 | GB/T14048.5,IEC60947-5-1,EN 60255-1 | |

GRV8-03D至08D系列三相電壓監控繼電器產品面板: |
|
GRV8-03D至08D系列三相電壓監控繼電器產品尺寸: |
|

GRV8-03D至08D系列三相電壓監控繼電器產品接線: | |
| |
GRV8-03D至08D系列三相電壓監控繼電器產品功能: | |
斷相與相序保護功能圖(三相三線) | 斷相與相序保護功能圖(三相四線) |
|
|
過壓與欠壓保護功能圖 | 電壓不平衡保護功能圖 |
|
|
To:過電壓動作延時時間。 Tu:欠電壓動作延時時間。 Ta:不平衡動作延時時間。 | |
注意: | |
1.當斷相發生在電源相時,綠燈不會指示。(M460電源:L1和L2;M265電源:L1和 N) | |
2.產品通電運行過程中如果改變額定電壓旋鈕,綠色和紅色指示燈同時閃爍,指示錯誤 設定,產品保持原先設定的額定電壓進行保護。當額定電壓旋鈕返回原先設定值時,指 示燈恢復正常。 | |
GRV8-03D至08D系列三相電壓監控繼電器功能說明: | |
| 功能代號 | 過電壓 | 欠電壓 | 電壓不平衡 | 動作延時 | 相序保護 | 斷相保護 |
| 03D | 一 | 一 | — | 一 | ● | ● |
| 04D | 2%.….20% | -20%..-2% | — | 0.1s.…10s | ● | ● |
| 05D | 2%.…20% | -20%...-2% | 0.08 | 0.1s…10s | ● | ● |
| 06D | 2%.…20% | -20%..-2% | 5%...15% | 2s | ● | ● |
| 07D | 一 | 一 | 5%...15% | 0.1s…10s | ● | ● |
| 08D | 0.15 | -0.15 | 0.08 | 2s | ● | ● |
| 注: ●表示具有此功能, 一表示不具有此功能。 | ||||||
優惠券
我們的微信
13957717877
13957796089