產品介紹
咨詢服務熱線:13957717877
產品概述
資料下載
相關產品
相關資訊

為何選擇GRT6-2T雙延時型時間繼電器? |
?產品價值亮點?: |
1、?安全可靠?:分時啟動策略降低設備過載風險,延長系統壽命。 |
2、?靈活經濟?:一機雙功能,節省50%安裝空間與成本。 |
3、?操作便捷?:直觀的檔位設定與LED狀態反饋,降低調試門檻。 |
? 適用行業?: |
工業自動化、智能建筑、新能源設備、軌道交通、智能制造等。 |
GRT6-2T雙延時型時間繼電器以創新的設計理念與性能,為用戶提供高效、穩定 的時序控制解決方案,助力工業系統智能化升級。 |
GRT6-2T雙延時型時間繼電器產品特點: |
1、?雙延時獨立設定,精準控制? 配備2組獨立通電延時模塊,每組延時時間均可單獨調節(0.1秒-10天),滿足設備分 階段啟動或停止的精準需求,有效避免多負載同時啟動導致的瞬時電流沖擊。 |
2、?超寬延時范圍,覆蓋全場景? 支持從0.1秒至10天的超長時間設定,并劃分10個檔位(如秒、分、小時、天),用戶 可通過撥碼或旋鈕快速切換,適配短期操作控制與長期循環任務。 |
3、?寬電壓兼容,適應性強? 提供AC/DC 24V-240V超寬工作電壓規格,兼容全球主流工業電源標準,無需額外配 置轉換模塊即可直接接入不同電壓系統,簡化安裝流程。 |
4、?狀態可視化管理? 內置高亮LED指示燈,實時顯示繼電器工作狀態(通電/延時/動作),便于運維人員快 速排查故障,提升設備維護效率。 |
5、?緊湊設計,便捷安裝? 采用超薄機身設計,寬度僅18mm,支持35mm標準卡軌安裝,節省控制柜空間,尤其 適合高密度布線的工業場景。 |
GRT6-2T雙延時型時間繼電器產品應用: |
1、?重負載設備分時啟動? 在電機組、壓縮機群等大功率設備中,通過兩組延時設定分時投入負載,避免多臺設備 同時啟動造成電網峰值電流超標,保護主回路安全。 示例:設定組延時5秒啟動設備A,第二組延時30秒啟動設備B,實現錯峰運行。 |
2、?替代多繼電器,降本增效? 單臺GRT6-2T即可實現傳統方案中2只時間繼電器的功能,減少接線復雜度與元器件采 購成本,同時降低系統故障率。 |
3、?長周期循環控制? 適用于照明定時、灌溉系統、周期性生產設備等需按天計時的場景,長支持10天循 環控制,滿足能源管理與自動化流程需求。 |
4、?緊急備用電源切換? 在電力系統中,通過延時設定實現主備電源的無縫切換,關鍵設備供電連續性。 |

GRT6-2T雙延時型時間繼電器型號說明: |

GRT6-2T雙延時型時間繼電器技術參數: |
| 型號 | GRT6-2T | |
| 功能 | 雙設定通電延時 | |
| 電源端子 | A1-A2 | |
| 額定控制電源電壓 | AC/DC 24-240V(50-60Hz) | |
| 消耗功率 | S240 | AC 0.09-3VA/DC 0.05-1.7W |
| 額定控制電源電壓 | AC 220V(50-60Hz) | |
| 消耗功率 | A230 | AC max.6VA/1.9W |
| 電源允許波動范圍 | -15%;+10% | |
| 額定沖擊耐受電壓 | 2.5kV | |
| 電源指示燈 | 綠色LED | |
| 延時范圍 | 0.1秒-10天,常開,常閉 | |
| 設定方式 | 旋鈕 | |
| 設定精度 | 10% | |
| 重復精度 | 0.2% | |
| 溫度波動誤差 | 0.05%/℃,at=20℃ | |
| 輸出觸點參數 | 2組轉換觸點 | |
| 小切換功率 | 500mW | |
| 輸出繼電器指示 | 紅色LED | |
| 機械壽命 | 1×107 | |
| 電壽命(阻性負載) | 1×10? | |
| 復位時間 | 200ms | |
| 工作環境溫度 | -20℃~+55℃ | |
| 存儲和運輸環境溫度 | -35℃~+75℃ | |
| 安裝方式 | 35mm 卡軌安裝 | |
| 防護等級 | IP20 | |
| 安裝位置 | 任意 | |
| 安裝海拔高度 | ≤2000米 | |
| 污染等級 | 2 | |
| 接線能力 | 1×2.5mm2或2×1.5mm20.4N·m | |
| 外形尺寸 | 90mm×18mm×64mm | |
| 重量 | S240-67g,A230-70g | |
| 符合標準 | GB/T14048.5,IEC60947-5-1,EN 61812-1 | |

GRT6-2T雙延時型時間繼電器產品面板: |

時間設定方法 | |
![]() | 旋鈕1:延時檔位設定,s表示秒,m表示分,h表示小時,d表示天, ON表示繼電器動作(15-18/25-28閉合), OFF表示繼電器斷開(15-18/25-28斷開)。 |
![]() | 旋鈕2:延時時間細調,10%~100%可調。 |
| 延時時間=旋鈕1×旋鈕2。 例1:需要設定5秒,可將旋鈕1設為10s,旋鈕2設為50%,延時時間=10s×50%=5s。 例2:需要設定8分,可將旋鈕1設為10m,旋鈕2設為80%,延時時間=10m×80%=8m。 | |
GRT6-2T雙延時型時間繼電器產品尺寸: |


GRT6-2T雙延時型時間繼電器產品功能: |

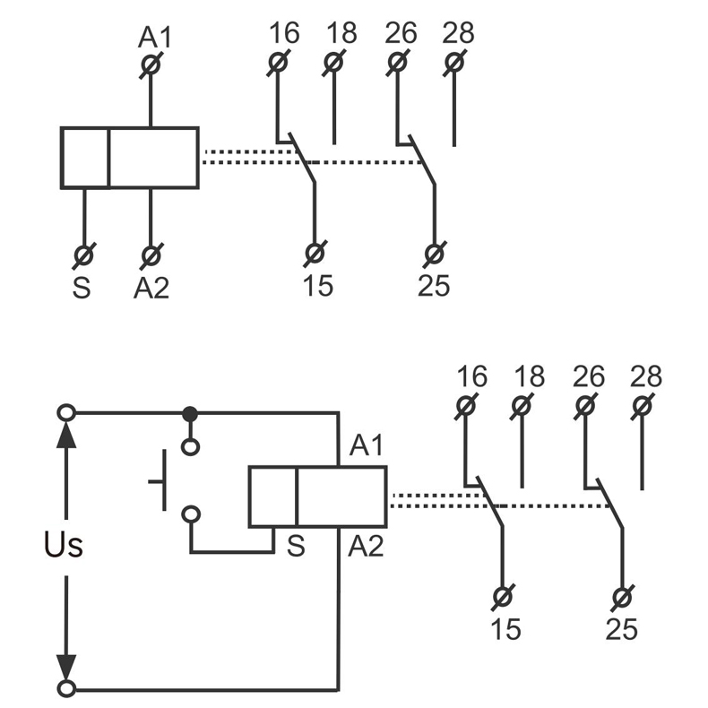
當繼電器Us得電,繼電器開始延時,延時t1后輸出觸點15-16斷開15-18閉合,延時 t2后輸出觸點25-26斷開25-28閉合,繼電器Us斷電后,兩組輸出觸點同時斷開。S端子為 復位端子,任何時刻接通A1-S,繼電器復位。 |
GRT6-2T雙延時型時間繼電器產品接線: |

上一個:GYHVD-高壓堆疊儲能鋰電池
下一個:HPIGY高壓堆疊式儲能鋰電池
優惠券
我們的微信
13957717877
13957796089