產品介紹
咨詢服務熱線:13957717877
產品概述
資料下載
相關產品
相關資訊


GRV8-03X至08X系列三相電壓監控型電壓繼電器產品優勢: |
1、高可靠性監控: - 真有效值測量結合抗諧波設計,提供精準、穩定的電壓監控,適應惡劣電氣環境。 |
2、全球通用性強: - 寬范圍可調電壓與靈活接線方式(3相3線/4線),滿足全球不同區域的安裝需求。 |
3、響應迅速: - 快速檢測電壓故障(過壓、欠壓、缺相、錯相),及時輸出控制信號,保障設備 安全。 |
4、節省空間: - 18mm超薄寬度設計,節省控制柜空間,尤其適合密集型安裝。 |
5、安裝維護簡便: - 標準35mm DIN卡軌安裝,接線方便,LED狀態指示清晰,便于現場操作和維護。 |
6、提升系統安全性: - 有效防止因電源問題導致的設備損壞、生產事故和安全隱患。 |
GRV8-03X至08X系列三相電壓監控型電壓繼電器產品特點: |
1、高精度真有效值測量: - 采用真有效值測量技術,即使在含有諧波的非正弦波電壓條件下,也能提供 準確的電壓測量結果(精度≤1%),真實反映電網狀態。 |
2、寬廣的電壓適應性與接線靈活性: - 提供8種可調節的額定電壓等級,能夠適應全球不同國家和地區的標準電網電壓。 同時支持3相3線制和3相4線制(3L/3N)兩種接線方式,滿足多樣化的現場需求。 |
3、優異的抗干擾性能: - 內部電路經過專業的抗諧波設計優化,針對高干擾工業環境(如變頻器、大功率 整流設備附近)進行了強化設計,有效抑制諧波干擾,保證監控的穩定性和可靠性。 |
4、直觀的狀態指示: - 配備高亮度LED指示燈,清晰顯示繼電器當前的工作狀態(如電源、故障、報警 等),便于現場人員快速識別系統運行狀況。 |
5、超緊湊型設計:
- 采用超薄設計,寬度僅為18mm,大大節省控制柜內安裝空間。支持標準的35mm DIN卡軌安裝,安裝拆卸簡便快捷,適用于高密度布線的場合。 |
GRV8-03X至08X系列三相電壓監控型電壓繼電器產品應用: |
GRV8-03X至08X系列憑借其可靠的監控性能和靈活的適應性,廣泛應用于以下關 鍵領域: |
1、移動設備與特種車輛電源管理:
- 為現場工程設備、農業機械(如收割機、拖拉機)、冷藏運輸車等移動裝備提供 穩定的三相電源監控,其在復雜多變的供電環境下(如發電機供電或臨時電源接 入)安全可靠運行,防止電壓異常導致設備停機或損壞。 |
2、設備旋轉方向防護: - 精確監控三相電源的相序,在檢測到相序錯誤(可能導致電機反向旋轉)時迅速 發出控制信號,有效防止機械設備因逆向運行而引發的機械損傷、生產事故或安全事 故。 |
3、主備電源自動切換系統(ATS): - 在需要高可靠供電的場所(如數據中心、醫院、工廠關鍵生產線),用于監控正 常(主用)電源和應急(備用)電源(如發電機)的狀態。當主電源出現故障(如失 壓、欠壓、過壓、缺相)時,能可靠觸發信號驅動切換裝置,將負載無縫或短時中斷 切換至備用電源,保障供電連續性。 |
4、電動機及動力負載保護: - 實時監測供給電動機及其他重要動力負載的三相電源,一旦發生斷相(缺相)故 障,能立即檢測并輸出報警或切斷控制信號,有效避免電機因單相運行而過熱燒毀, 保護貴重設備資產。 |
5、工業生產線與機械設備保護: - 廣泛應用于各類工業自動化生產線、泵、風機、壓縮機等設備,作為前端電壓保 護單元,防止因電網電壓不穩定(過壓、欠壓)或缺相造成的設備停機、生產中斷或 元器件損壞。 |

GRV8-03X至08X系列三相電壓監控型電壓繼電器型號說明: |
|
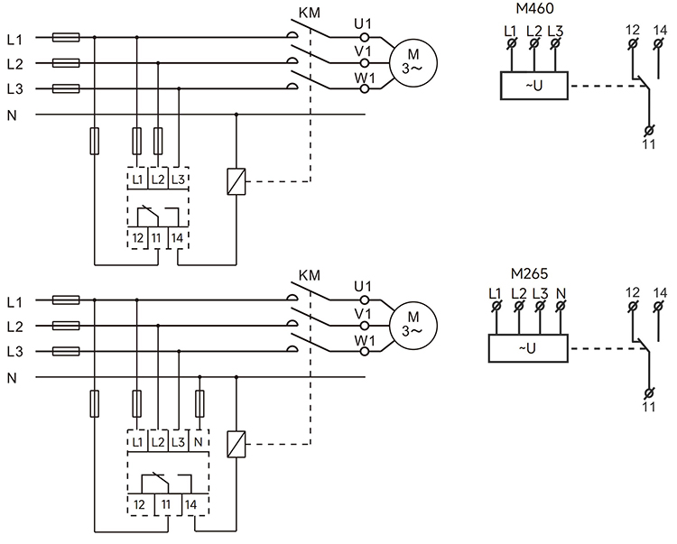
GRV8-03X至08X系列三相電壓監控型電壓繼電器技術參數: |
M460 | M265 | |
功能 | 監控L-L電壓(3相3線制) | 監控L-N電壓(3相4線制) |
監控端子 | L1-L2-L3 | L1-L2-L3-N |
電源 | L1-L2 | L1-N |
| 額定工作電壓選擇 | 220-230-240-380-400-415-440-460(P-P) | 127-132-138-220-230-240-254-265(P-N) |
額定沖擊耐受電壓 | 2.5kV | |
額定絕緣電壓 | 500V | |
測量頻率范圍 | 45Hz-65Hz | |
測量范圍 | 176V-552V | 101V-318V |
電壓門限值范圍 | 額定電壓的2%-20% | |
不平衡值門限范圍 | 5%-15% | |
電壓固定滯后率 | 2% | |
斷相電壓值 | 額定電壓值的70% | 額定電壓值的70% |
動作延時時間 | 0.1s-10s 可調 | |
電壓測量誤差 | ≤1% | |
上電延時時間 | 0.5s | |
旋鈕設定精度 | 10% | |
復位時間 | 1s | |
溫度波動誤差 | 0.05%/℃,at=20℃ | |
輸出 | :Ith:8A;AC-15:Ue/le:250V/1.5A | |
小切換功率 | 500mW | |
輸出繼電器指示 | 紅色 LED | |
機械壽命 | 1×10? | |
電壽命(阻性負載) | 1×10? | |
工作環境溫度 | -20℃~+55℃ | |
存儲和運輸環境溫度 | -35℃~+75℃ | |
安裝方式 | 35mm卡軌安裝 | |
防護等級 | IP20 | |
安裝位置 | 任意 | |
安裝海拔高度 | ≤2000米 | |
污染等級 | 2 | |
接線能力 | 1×2.5mm2或2×1.5mm2 0.8N ·m | |
外形尺寸 | 90mm×18mm×64mm | |
重量 | 62g-66g | |
符合標準 | GB/T14048.5,IEC60947-5-1,EN 60255-1 | |

GRV8-03X至08X系列三相電壓監控型電壓繼電器產品面板: |
|
GRV8-03X至08X系列三相電壓監控型電壓繼電器產品尺寸: |
|

GRV8-03X至08X系列三相電壓監控型電壓繼電器產品接線: | |
| |
GRV8-03X至08X系列三相電壓監控型電壓繼電器產品功能圖: | |
斷相與相序保護功能圖(三相三線) | 斷相與相序保護功能圖(三相四線) |
|
|
過壓與欠壓保護功能圖 | 電壓不平衡保護功能圖 |
|
|
To:過電壓動作延時時間。 Tu:欠電壓動作延時時間。 Ta:不平衡動作延時時間。 | |
注意: | |
1.當斷相發生在電源相時,綠燈不會指示。(M460電源:L1和L2;M265電源:L1和 N) | |
2.產品通電運行過程中如果改變額定電壓旋鈕,綠色和紅色指示燈同時閃爍,指示錯誤 設定,產品保持原先設定的額定電壓進行保護。當額定電壓旋鈕返回原先設定值時,指 示燈恢復正常。 | |
GRV8-03X至08X系列三相電壓監控型電壓繼電器產品功能說明: | |
| 功能代號 | 過電壓 | 欠電壓 | 電壓不平衡 | 動作延時 | 相序保護 | 斷相保護 |
| 03X | — | 一 | — | 一 | ● | ● |
| 04X | 2%.…20% | -20%...-2% | 一 | 0.1s.…10s | ● | ● |
| 05X | 2%.…20% | -20%...-2% | 8% | 0.1s…10s | ● | ● |
| 06X | 2%.….20% | -20%...-2% | 5%.…15% | 2s | ● | ● |
| 07X | 一 | 一 | 5%.…15% | 0.1s.…10s | ● | ● |
| 08X | 15% | -15% | 8% | 2s | ● | ● |
| 注: ● 表示具有此功能, 一 表示不具有此功能。 | ||||||
上一個:光伏電池包GY-ESBL
下一個:GY光電開關 光電式傳感開關
優惠券
我們的微信
13957717877
13957796089