產品介紹
咨詢服務熱線:13957717877
產品概述
資料下載
相關產品
相關資訊


為什么選擇GR5-45F大功率新能源系列電磁式透明繼電器? |
選擇GR5-45F繼電器,源于其針對新能源應用的專業設計。產品具備高負載能力和長 壽命,可有效降低總擁有成本;其靈活的安裝方式和緊湊結構,便于集成到多種系統中; 同時,優良的環境耐受性和安全性能,使其適用于戶外或工業環境。無論是追求可靠性還 是效率,這款產品都能滿足用戶對大功率繼電器的核心需求。 |
GR5-45F大功率新能源系列電磁式透明繼電器產品優勢: |
1、可靠性與耐用性:長電氣和機械壽命減少維護頻率,適合高頻率操作場景。 |
2、安裝便捷:法蘭式和螺絲安裝方式簡化集成過程,提高設備組裝效率。 |
3、環境適應性:寬溫度范圍和抗沖擊振動設計,在惡劣環境下穩定運行。 |
4、高效性能:低接觸電阻和快速切換時間有助于降低能耗,提升系統整體效率。 |
5、安全隔離:高絕緣等級和耐壓測試保障操作安全,減少電氣故障風險。 |
GR5-45F大功率新能源系列電磁式透明繼電器產品特點: |
1、高負載切換能力:支持40A、50A和60A負載切換,適應大功率應用需求。 |
2、靈活的安裝方式:提供法蘭式安裝和螺絲安裝引出端,便于在各種設備中集成。 |
3、優良的電氣性能:接觸電阻低于100mΩ(在6VDC 1A條件下),吸合時間≤25ms, 釋放時間≤15ms,快速響應和低能耗。 |
4、長壽命設計:電氣壽命在阻性負載下達10萬次以上,機械壽命超過1000萬次,提升 設備可靠性。 |
5、高絕緣和耐環境性:同觸點間、異觸點間及觸點與線圈間均通過高壓測試(如 1500VAC/1min或2500VAC/1min),絕緣電阻≥100MΩ(500VDC),環境溫度范圍 -44℃~+55℃,濕度5%~80%RH,并具備耐沖擊(加速度980m/s2)和耐振動 (10~55Hz,雙振幅1.5mm)能力。 |
6、緊湊輕量化:尺寸為63.2mm×46mm×46mm,重量約105g,節省空間且易于搬運 |
GR5-45F大功率新能源系列電磁式透明繼電器產品應用: |
GR5-45F繼電器廣泛應用于新能源和工業領域,包括: |
1、新能源系統:如太陽能逆變器、風能發電設備中的功率切換和控制。 |
2、電動汽車:用于充電樁和電池管理系統的電氣隔離。 |
3、工業自動化:在PLC控制系統、電機驅動和電源管理中提供可靠切換。 |
4、通信設備:適用于基站和電源備份系統,穩定運行。 |
5、家電和消費電子:用于大功率家電的電路控制,提升安全性和壽命。 |

GR5-45F大功率新能源系列電磁式透明繼電器型號說明: |
|
1、企業代號:格亞電氣 |
2、設計序號 |
3、觸點形式:1H=1組常開型;1D=1組常閉型;1Z=1組轉換型 |
4、觸點負載:40A、50A、60A |
5、線圈電壓:DC為直流;AC為交流 |

GR5-45F大功率新能源系列電磁式透明繼電器技術參數: |
接觸電阻 | 100mΩ以下(在6VDC 1A條件下) |
電氣壽命 | 阻性負載,10萬次以上 |
機械壽命 | 1000萬以上 |
線圈電壓 | DC:6-220V AC:6-380V. |
吸合時間 | ≤25ms; |
釋放時間 | ≤15ms |
同觸點之間 | 1500VAC/1min(漏電流 1mA) |
異觸點之間 | 1500VAC/1min(漏電流 1mA) |
觸點與線圈間 | 2500VAC/1min(漏電流 1mA) |
絕緣電阻 | ≥100MΩ(500VDC) |
環境溫度 | -44℃~+55℃ |
環境濕度 | 5%~80%RH |
大氣壓力 | 86~106KPa |
耐沖擊 | 加速度980m/s2持續時間6ms |
耐振動 | 10~55Hz雙振幅:1.5mm |
尺寸 | 63.2X46X46mm |
重量 | 約 105g |

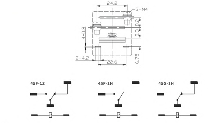
GR5-45F大功率新能源系列電磁式透明繼電器產品尺寸: |
|
GR5-45F大功率新能源系列電磁式透明繼電器產品接線: |
|
優惠券
我們的微信
13957717877
13957796089