產品介紹
咨詢服務熱線:13957717877
產品概述
資料下載
相關產品
相關資訊


GWS9-DW型智能WIFI斷路器產品特點: |
1、?智能互聯,遠程掌控? 支持手機/Tuya APP遠程控制,無論居家或外出,輕觸屏幕即可開關電路、定時啟停 設備,并支持多設備聯動場景(如離家自動斷電、歸家前遠程開啟電器)。兼容主流智 能語音助手,實現語音指令操控,讓生活更高效。 |
2、?精工選材,安全耐用? 采用高導電性銅連接器,穩定傳輸;阻燃PA66外殼耐高溫、抗沖擊,有效降低 火災風險;內置高性能芯片模塊,響應靈敏且運行穩定。嚴苛工藝打造,適應頻繁操作 與復雜用電環境,持久可靠。 |
3、?人性化設計,簡約美學? 硅橡膠按鈕觸感柔和,按壓反饋清晰,操作舒適省力;外觀采用簡約流線型設計, 啞光質感搭配隱藏式指示燈,輕松融入現代家居風格,兼顧實用性與裝飾性。 |
GWS9-DW型智能WIFI斷路器產品應用: |
家庭、辦公室、商鋪等場景的燈光、插座及電器控制,尤其適合追求智能化生活、 注重用電安全與品質細節的用戶。 |

GWS9-W型智能WIFI斷路器技術參數:
|
| 產品型號 | GWS9-W | GWS9-DW |
| 額定工作電壓范圍 | 90V~240V | |
| 數 | 1P+N | |
| 過載電流 | 63A(3~10)s | |
| 額定電流 | 1~40A電流可調 | |
| 通訊方式 | 涂鴉wifi | |
| 工作環境溫度 | -25℃~70℃ | |
| 限短路容量 | 500A | |
| 電壽命 | ≥10000 | |
| 機械壽命 | ≥100000 | |
| 關閉時間 | <20ms | |
| 開啟時間 | <20ms | |
| 顯示屏 | / | 液晶 |
GWS9-W型智能WIFI斷路器功能參數:
|
| 序號 | 保護功能 | 跳閘類型 | 參數設置 | 設置 | 出廠默認值 |
| 1 | 過電壓保護 | 關閉/報警/跳閘 | 過電壓調整 | 250~300V | 280V |
| 過電壓延遲 | 0~10s | 3s | |||
| 2 | 欠壓保護 | 關閉/報警/跳閘 | 欠壓調整 | 80~200V | 165V |
| 欠壓延遲 | 0~10s | 3s | |||
| 3 | 過載保護 | 關閉/報警/跳閘 | 過載調整 | 1~63A | 63A |
| 過載延遲 | 3~10s | 3s | |||
| 4 | 高溫保護 | 關閉/報警/跳閘 | 高溫調節 | 0~120℃ | 80℃ |
| 高溫延遲 | 0~10s | 5s | |||
| 5 | 過功率保護 | 關閉/報警/跳閘 | 過功率值 | 50w~11Kw | 關閉 |
| 過功率延遲 | 0~10s | ||||
| 6 | 允許報警 | 關閉/開啟 | |||
| 7 | 自動關閉 | 關閉/開啟 | 一 | ||
| 8 | 定時控制 | 關閉/設置 | 一 | 一一一 | |
| 9 | 計量預付費 |

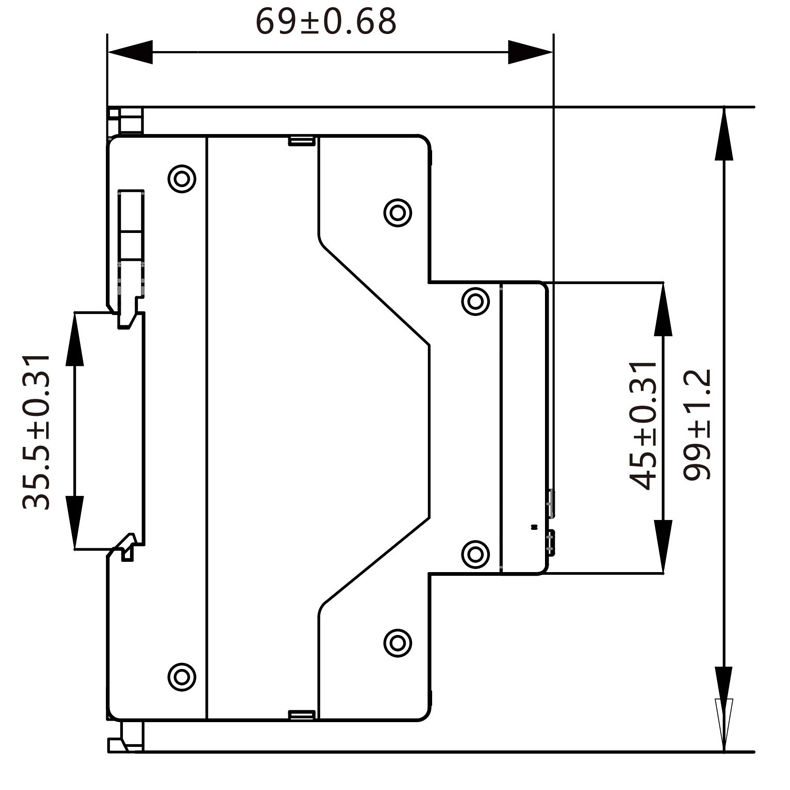
GWS9-DW型智能WIFI斷路器產品尺寸: |


GWS9-DW型智能WIFI斷路器功能演示: |
優惠券
我們的微信
13957717877
13957796089