產品介紹
咨詢服務熱線:13957717877
產品概述
資料下載
相關產品
相關資訊


THC15A/20A/30A系列可編輯定時器產品特點: |
1、具有精準靈敏,可使產品能夠穩定的運行。 |
2、具有斷電記憶功能。 |
3、具有誤差矯正功能。 |
4、具有16組可設定時間。 |
5、產品內置電池,可在斷電之后持續運行。 |
6、35mm標準卡軌安裝。 |

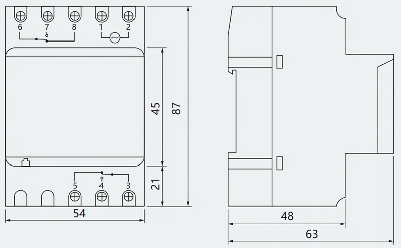
THC15A/20A/30A系列可編輯定時器產品尺寸:

THC15A/20A/30A系列可編輯定時器產品解析:


THC15A/20A/30A系列可編輯定時器技術參數:

THC15A/20A/30A系列可編輯定時器時間設定:

THC15A/20A/30A系列可編輯定時器接線圖:

上一個:THC20系列可編程定時器
下一個:THC-109光敏定時器帶探頭
優惠券
我們的微信
13957717877
13957796089